kb体育app官网入口官网

kb体育app官网入口官网

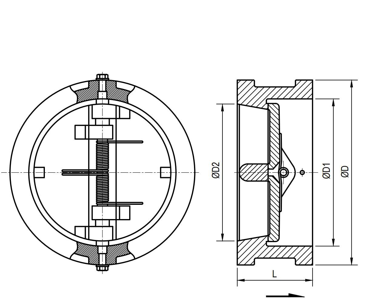
美标蝶形止回阀

关注次数:3154次

商品类型:止回阀

上架时间:2024-07-01 13:44:20

产品描述:品名:美标蝶形止回阀H76/H77设计标准:API 6D 工作温度:-10~200℃适用介质:水、油品、蒸汽等

咨询电话:4001-588-933

蝶式止回阀的作用是只允许介质向一个方向流动,而且阻止方向流动。通常这种阀门是自动工作的,在一个方向流动的流体压力作用下,阀瓣打开;流体反方向流动时,由流体压力和阀瓣的自重合阀瓣作用于阀座,从而切断流动