kb体育app官网入口官网

kb体育app官网入口官网

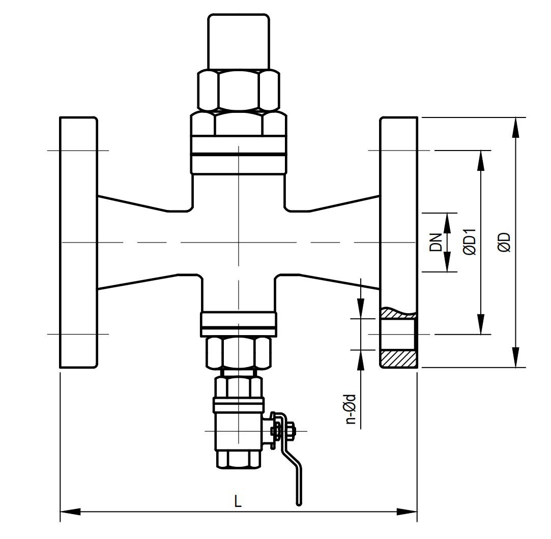
铜疏水阀

关注次数:2973次

商品类型:疏水阀

上架时间:2024-07-02 09:54:48

产品描述:品名:铜疏水阀设计标准:JB/T9093 工作温度: -10~200℃适用介质:水、蒸汽操作方式:

咨询电话:4001-588-933

温度感知、‌自动调节、‌节能、‌高效排水、‌长寿命,‌而其用途则主要体现在提高生产效率、‌节约能源、‌延长设备寿命、‌自动化控制、‌安全性的提升以及在工业自动化中的关键作用。‌

 

上一篇:没有了!
下一篇:没有了!