kb体育app官网入口官网

kb体育app官网入口官网

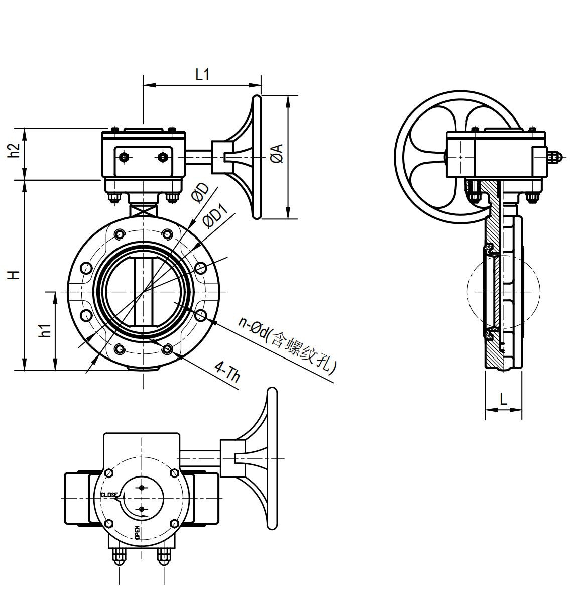
法兰涡轮蝶阀

关注次数:2892次

商品类型:蝶阀

上架时间:2024-07-01 10:44:32

产品描述:设计标准:法兰蜗轮蝶阀D341X 设计标准:GB/T3036 工作温度:-10~90℃ 适用介质:淡水、海水、油品等 操作方式:手动

咨询电话:4001-588-933

该阀门可用于控制空气、水、各种腐蚀性介质、泥浆、油品、液态金属和放射性介质等各种类型流体的流动。在管道上主要起切断和节流作用。蝶阀启闭件是一个圆盘形的蝶板,在阀体内绕其自身的轴线旋转,从而达到启闭或调节的目的。