kb体育app官网入口官网

kb体育app官网入口官网

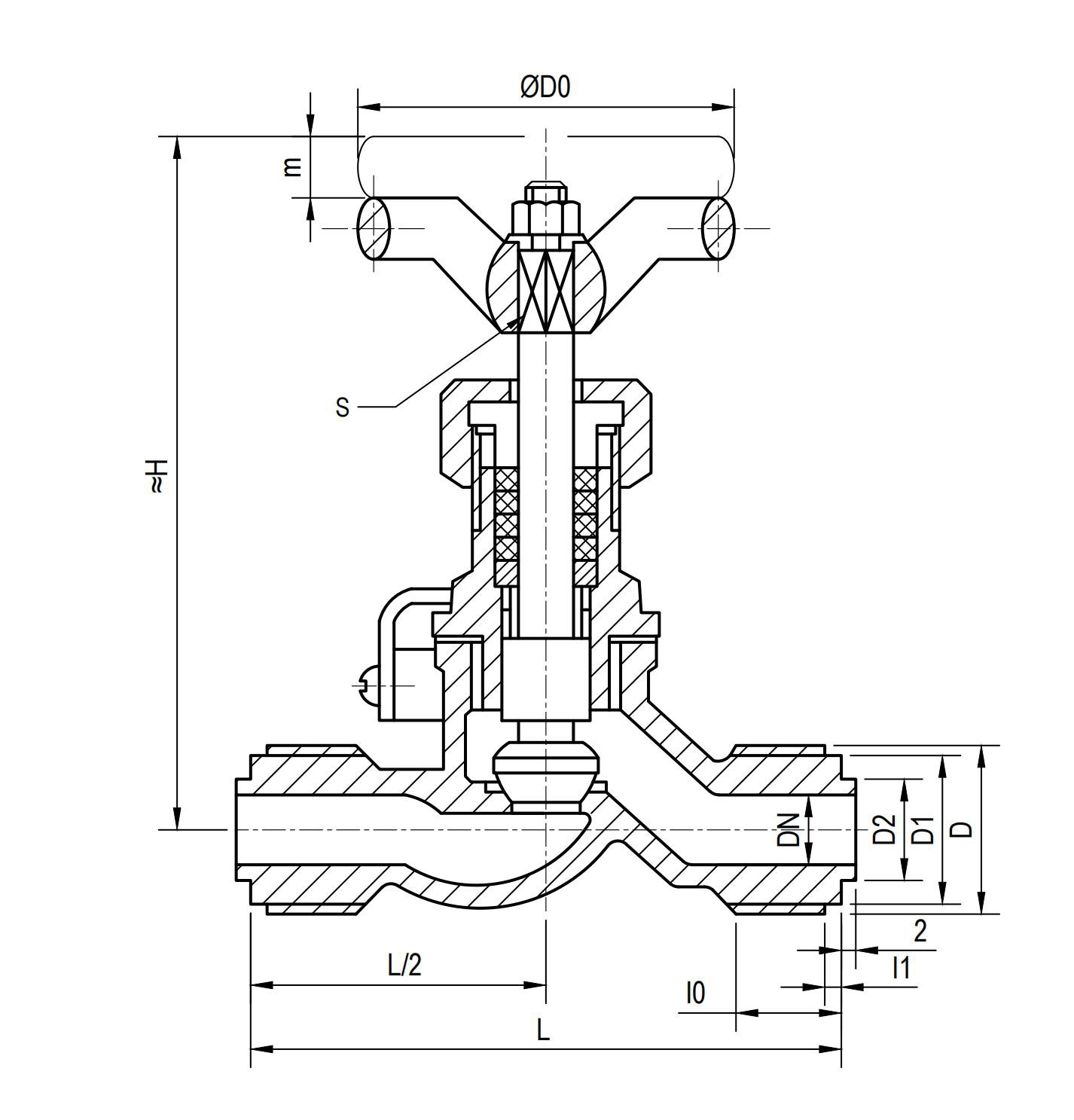
国标青铜外螺纹直通截止阀

关注次数:1800次

商品类型:截止阀

上架时间:2024-07-01 13:41:23

产品描述:品名:国标青铜外螺纹直通截止阀设计标准: 工作温度:-10~200℃适用介质:水、油品、蒸汽等操作方式:手动

咨询电话:4001-588-933

螺纹截止阀的用途主要包括切断、‌分配和改变介质的流动方向。‌

螺纹截止阀,‌作为一种重要的控制部件,‌在管道系统中扮演着关键角色。‌它们属于强制密封式阀门,‌意味着在阀门关闭时,‌必须向阀瓣施加压力以确保密封面不泄漏。‌这种阀门的设计使得它能够有效地切断、‌分配和改变介质的流动方向,‌从而实现对流体介质的有效控制。‌