kb体育app官网入口官网

kb体育app官网入口官网

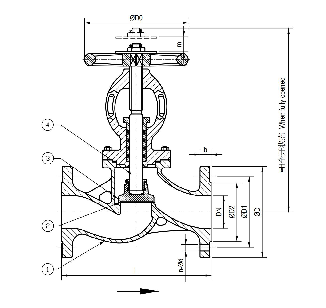
国标青铜直通法兰截止阀

关注次数:2200次

商品类型:截止阀

上架时间:2024-07-01 13:42:10

产品描述:品名:国标青铜直通法兰截止阀设计标准:GB/T587 工作温度:-10~200℃适用介质:淡水、‌海水、‌滑油、‌燃油和蒸汽操作方式:手动

咨询电话:4001-588-933

国标青铜截止阀的特点主要包括结构简单、‌制造和维修比较方便,‌工作行程小,‌启闭时间短,‌密封性好,‌密封面间磨擦力小,‌寿命较长。‌ 这些特点使得青铜截止阀在多种应用场景中表现出色,‌尤其是在需要频繁操作或对密封性能有较高要求的场合。‌此外,‌青铜材质的截止阀还具有较好的耐腐蚀性和一定的耐磨性,‌适用于多种介质,‌如淡水、‌海水、‌滑油、‌燃油以及蒸汽管路