kb体育app官网入口官网

kb体育app官网入口官网

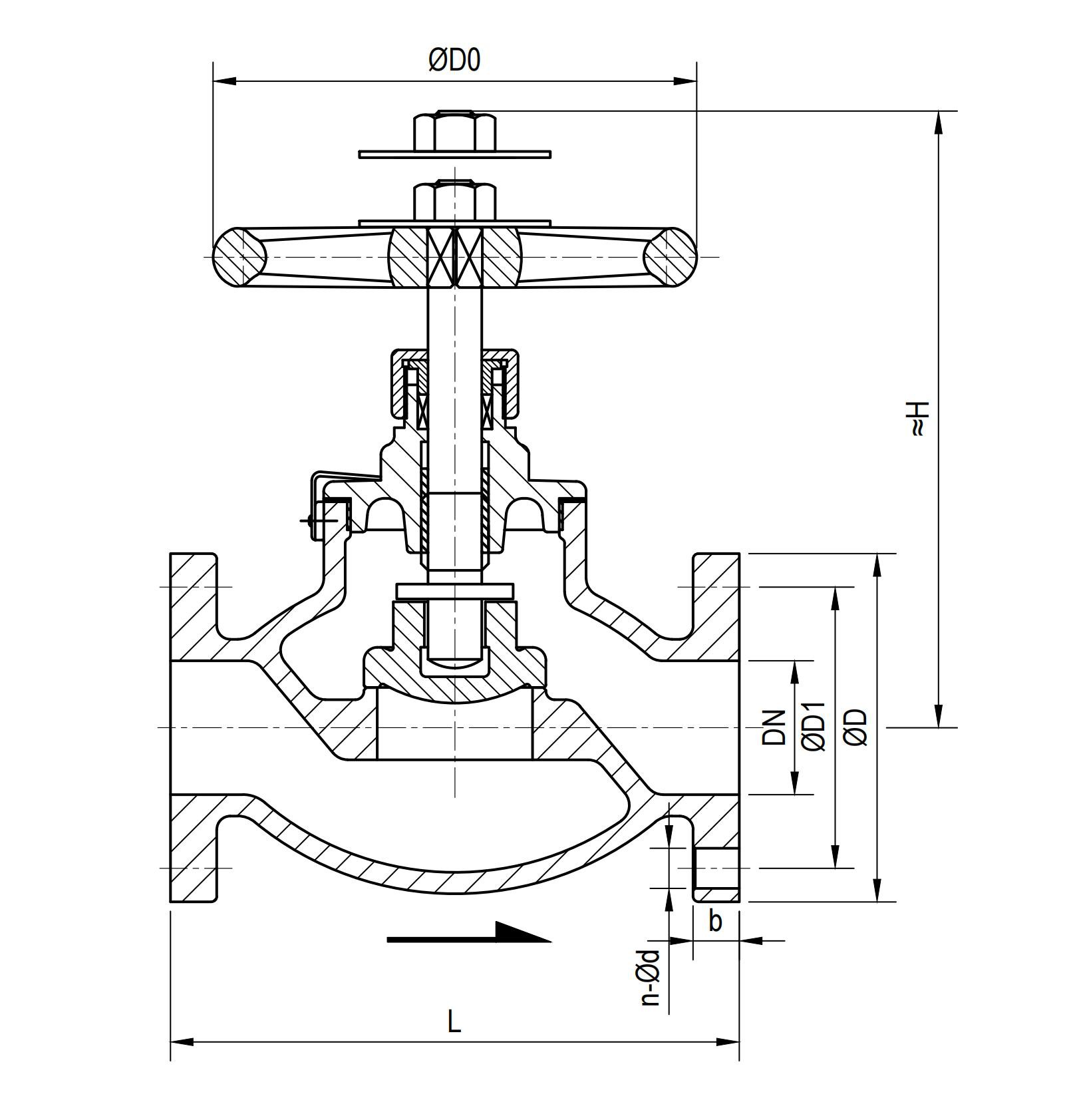
日标不锈钢直通法兰截止止回阀

关注次数:1147次

商品类型:截止阀

上架时间:2024-07-01 13:51:29

产品描述:品名:日标不锈钢直通法兰截止止回阀设计标准:JIS F7351改 工作温度:-10~200℃适用介质:淡水、燃油、滑油和蒸汽操作方式:手动

咨询电话:4001-588-933

截止止回阀兼有截止阀和止回阀功能的多用阀门。它的结构形式与截止阀相似,但阀杆与阀瓣不是固定联接。当阀杆下降将阀瓣紧压在阀座上时,起截止阀作用;阀杆上升后,则起止回阀作用。在同时需要安装截止阀(或闸阀)和止回阀的管道上(如水泵的出口端),或在安装位置受到限制的场所(如船舶),使用截止止回阀可节约安装费用和空间位置。