kb体育app官网入口官网

kb体育app官网入口官网

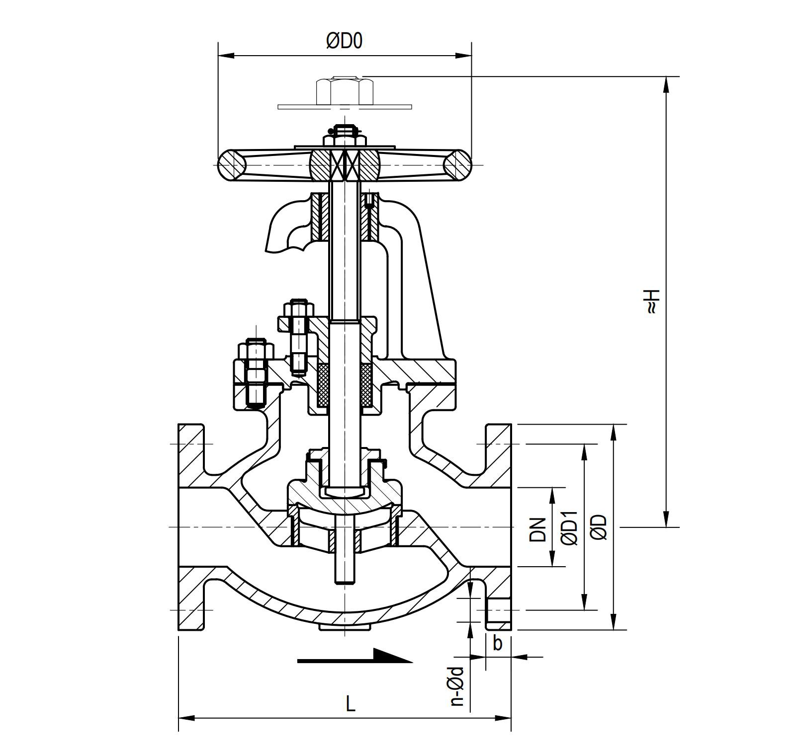
日标铸钢直通截止阀

关注次数:2285次

商品类型:截止阀

上架时间:2024-07-02 09:36:50

产品描述:品名:日标铸钢直通截止阀设计标准:JIS F7311工作温度:-10~200℃适用介质:水、油品、蒸汽等操作方式:手动

咨询电话:4001-588-933

铸钢截止阀的结构比较简单,主要由阀体、阀盖、阀瓣、阀杆等组成。阀瓣与阀座呈密封状态,通过阀杆上下移动来实现开启和关闭。阀杆与手柄连接,在使用时可以通过手柄来控制阀门的开启和关闭情况。铸钢截止阀具有结构简单、使用方便、维修方便、密封性能好、使用寿命长等特点,是一种非常实用的阀门产品。